フロート式ダム水位計(細井戸式) WT2700シリーズ
概要
ウェイトレス小径フロートを用いたサーボモーターによる電動追尾型の細井戸式水位検出器です。ダム水位など高揚程計測に適しています。
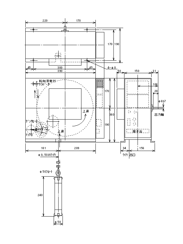
外観

特徴
- フロート径が小さくウェイトが不要ですので細井戸での検出が可能です。
- 投げ込み式水位計からの置き換えにも対応できます。
- 検出軸は1m/1回転で、各種回転形センサ(RS-A/Dコンバータ、シンクロ、その他)を結合することができます。
- 停電からの復帰でも正しい水位を自動的に指示します。
仕様
| 計測範囲 | 0~99m (MAX.) | |
|---|---|---|
| 検出精度 | ±1cm | |
| 追尾速度 | 2m/分 | |
| 検出軸 | 1m/1回転 (水位上昇で、出力軸側から見て右回転) | |
| 駆動トルク | 0.5N・m (5kg・cm) 以上 | |
| フロート径 | φ50 (案内滑車付き・傾斜ウェル検出可能) | |
| 検出ワイヤー | φ0.5 (SUS304) | |
| 電源 | AC.100V±10%、50/60Hz | |
| 内蔵保護回路 | ヒューズ断、上・下限、検出ワイヤー断線 (いずれも検出して停止) | |
| 警報出力 | ヒューズ断、上・下限、検出ワイヤー断線 各1a接点 (AC200V,1A) | |
| 環境条件 | 周囲温度 | -10~40℃ (水面は凍結しないこと) |
| 相対湿度 | 30~90% (結露しないこと) | |
| 本体構造 | 屋内設置防滴形 | |
| 塗装色 | マンセル5Y7/1 半艶 | |
外形図

