フロート式水位計(プーリー式) WT2100シリーズ
概要
計測範囲を長く取ることも可能な玉付き検出ワイヤー/プーリ型の水位検出器です。
ワイヤーの玉がプーリー溝にある穴に引っかかることで、滑りによる誤差を防止しています。
ポンプ制御や警報信号出力用としてリミットスイッチを内蔵することができます。
水位信号出力として、ポテンショメータ、アナログ発信機、シンクロ(セルシン)発信機を選択できます。
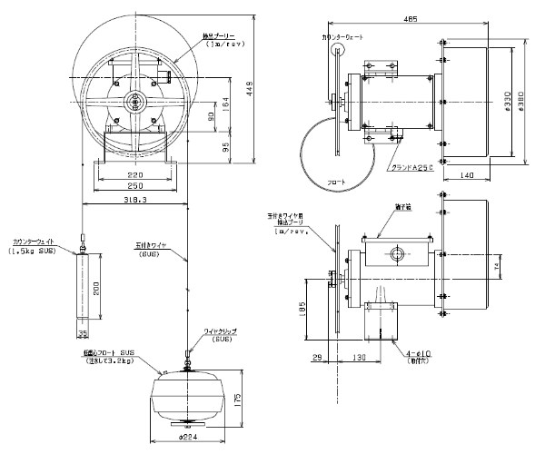
外観

特徴
- 高ストローク水位検出も可能です。水槽ピットだけでなくダム水位計としても最適です。
- ただし20mを越える場合はフロートとウェイトサイズを標準より大きくすることを推奨します。
- ドラム式と比較して設置面積は小さくなります。ドラム式のようなワイヤシフトもしません。
- 目盛カバーの深さ寸法は内蔵リミットスイッチの数等により変わります。
- 日本電機精器(DENSEI LTX1000シリーズ)、富士電機システムズ製フロート式液面発信器(FNFシリーズ)からの置換え実績もあります。
型式

仕様
| 計測範囲 | 0~50m (MAX.) | |
|---|---|---|
| 総合精度 | ±1.0%.FS以下 | |
| 機械的性能 | 指示計精度 | ±0.2%.FS |
| 計測ドラム精度 | ±0.1%.FS | |
| 電気的強度 | 絶縁抵抗 | DC500V、10MΩ以上 |
| 絶縁耐圧 | AC1000V(100V系) 1分間、AC1500V(200V系) 1分間 | |
| 環境条件 | 周囲温度 | -20~50℃ (ただし氷結状態での使用不可) |
| 相対湿度 | 30~90% | |
| 本体構造 | 防雨形 | |
| 塗装色 | マンセル5Y7/1 半艶 | |
| フロート仕様 | SUS304 φ224 質量3.2kg | |
| ウェート仕様 | SUS304 φ35 質量1.5kg | |
| ワイヤロープ仕様 | SUS304 φ1 20cmピッチの玉付きワイヤ | |
| 付属品 | 計測ワイヤ1本 フロート1個、ウェイト1個、ワイヤクリップ1式 |
|
| 別売オプション | 保護カバー (ガラス窓付) 本体のみでも屋外防雨構造になっておりますが、 不用意な触手からの保護、防雪または直射日光防止のため、ご検討ください。 |
|
外形図

