フロート式水位計(シングルドラム式) WT2300シリーズ
概要
計測範囲12メートルまでの汎用・標準型フロート式水位計です
計測ワイヤーがφ2mmと太く丈夫な為、設置時にキンクが起きにくく摩耗や経年劣化にも耐性があります
ポンプ制御や警報信号出力用としてリミットスイッチを内蔵することができます。
水位信号出力として、ポテンショメータ抵抗出力、DC4~20mA出力、シンクロ(セルシン)発信機を選択できます。
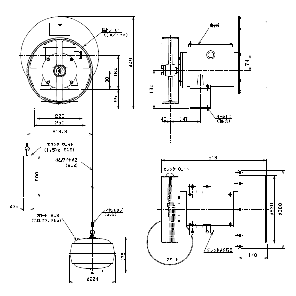
外観

特徴
- 現場確認用のシンプルなものから、水位発信機や接点を内蔵したものまで幅広くお応えできる製品です。
- ドラムが1回転すると1メートルワイヤーを巻き取ります。
- ワイヤー端はドラムに固定されている為、ワイヤーが外れる可能性を低減しています
- 水力発電所の排水ピット水位計、プラント施設の水槽水位計としても最適です。
- 明電舎製ULT型ULS型ULC型、日本電気精器製WTX100型WTX218型、桜測器製LWSからの置換え実績もあります。
型式

仕様
| 計測範囲 | 0~12m (MAX.) | |
|---|---|---|
| 総合精度 | ±1.0%.FS以下 | |
| 機械的性能 | 指示計精度 | ±0.2%.FS |
| 計測ドラム精度 | ±0.1%.FS | |
| 電気的強度 | 絶縁抵抗 | DC500V、10MΩ以上 |
| 絶縁耐圧 | AC1000V(100V系) 1分間、AC1500V(200V系) 1分間 | |
| 環境条件 | 周囲温度 | -20~50℃ (ただし氷結状態での使用不可) |
| 相対湿度 | 30~90% | |
| 本体構造 | 防雨形 | |
| 塗装色 | マンセル5Y7/1 半艶 | |
| フロート仕様 | SUS304 φ224 質量3.2kg | |
| ウェート仕様 | SUS304 φ35 質量1.5kg | |
| ワイヤロープ仕様 | SUS304 φ2 SUS製ワイヤ | |
| 付属品 | 計測ワイヤ 1式2本 フロート1個、ウェイト1個、ワイヤクリップ1式 |
|
| 別売オプション | 保護カバー (ガラス窓付) 本体のみでも屋外防雨構造になっておりますが、 不用意な触手からの保護、防雪または直射日光防止のため、ご検討ください。 |
|
外形図

