フロート式水位計(小型) WT2500シリーズ
概要
計測範囲最大12メートル検出のコンパクトタイプのフロート式水位計です。
本体アナログダイヤル目盛指示と水位信号出力(2線式DC4~20mA)ができます。
本機種はリミットスイッチを内蔵できない為、警報接点出力はできません。
工業用水槽のほか上下水道局向けの排水機場、ポンプ場に多数実績があります。
オプションでステンレス製保護カバーもあります。
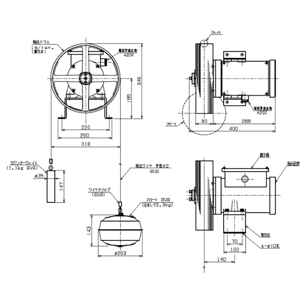
外観


特徴
- ポテンショメータとR/I変換器を内蔵し、2線式のDC4~20mAのアナログ信号を出力できます。
- 2線式アナログ信号回路にはDC24Vを供給してください。許容負荷抵抗は750Ωとなります。
- 置換え実績:東芝製390C型、横河電機製:MC56型、富士電機システムズ製FNF型、その他
- 型式例:WT2510-400A(お見積りの際お伝えください)
型式

仕様
| 計測範囲 | 0~12m (MAX.) | |
|---|---|---|
| 総合精度 | ±1.0%.FS以下 | |
| 本体指示 | 単針式アナログダイヤルメーター | |
| 出力信号 | 2線式DC4~20mA | |
| 回路電圧 | DC24V | |
| 許容負荷抵抗 | 750Ω | |
| 機械的性能 | 指示計精度 | ±0.2%.FS |
| 計測ドラム精度 | ±0.1%.FS | |
| 電気的強度 | 絶縁抵抗 | DC500V、10MΩ以上 |
| 絶縁耐圧 | AC1000V(100V系) 1分間、AC1500V(200V系) 1分間 | |
| 環境条件 | 周囲温度 | -20~50℃ (ただし氷結状態での使用不可) |
| 相対湿度 | 30~90% | |
| 本体構造 | 防雨形 | |
| 塗装色 | マンセル5Y7/1 半艶 | |
| フロート仕様 | SUS304 φ203 質量2.3kg | |
| ウェート仕様 | SUS304 φ35 質量1.1kg | |
| ワイヤロープ仕様 | SUS304 φ2 SUS製ワイヤ | |
| 付属品 | 計測ワイヤ 1式2本 フロート1個、ウェイト1個、ワイヤクリップ1式 |
|
| 別売オプション | 保護カバー (ガラス窓付) 本体のみでも屋外防雨構造になっておりますが、 不用意な触手からの保護、防雪または直射日光防止のため、ご検討ください。 |
|
外形図

