シンクロ発信器 PT2400シリーズ
概要
歯車機構とシンクロ発信機(セルシン)を組み合わせて、据置ケースに収納したもので、入力軸の回転量(角度)で位置を検出し、高精度なシンクロ電機信号を出力します。
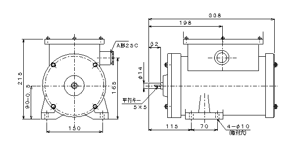
外観

特徴
- 内蔵歯車比は6/1増速~1/36減速 (Max 1/256減速) を組込できます。
- トランスデューサはシンクロ以外にポテンショメータ(緑測器製)やアブソコーダ(NSD製)も内蔵可能です。
仕様
| 内蔵シンクロ電機 | 62G形 | AC100V又はAC200V 50/60Hz |
|---|---|---|
| 86G形 | AC100V又はAC200V 50/60Hz | |
| 23TX6形 | AC100V 50/60Hz | |
| 電気精度 | ±0.1%FS (制御系シンクロ) ±0.2%FS (トルク系シンクロ) |
|
| 周囲条件 | 温度 | -20℃~+50℃ |
| 相対湿度 | 30~90% | |
| 電気的強度 | 耐圧 | AC1000V 1分間 |
| 絶縁抵抗 | DC500V 10MΩ以上 | |
| 入力軸強度 | 許容回転数 | 300rpm |
| 許容ラジアル荷重 | 147NN | |
| 許容スラスト荷重 | 98N | |
| 軸摩擦トルク | 0.294N・m | |
| 本体構造 | 防雨形(IP54相当) | |
| 外観塗装色 | マンセル5Y7/1半ツヤ(写真は7.5BG6/1.5) | |
| 重量 | 約12kg | |
外形図


