アナログ/デジタル変換器 ADS-Nシリーズ
概要
アナログ信号を受け、3~5桁のデジタル量に変換し、BCD信号出力するスケ-ラ付A/D変換器です。
ご用命の際は、型式と変換スケール(BCD出力値範囲)をご指定ください。
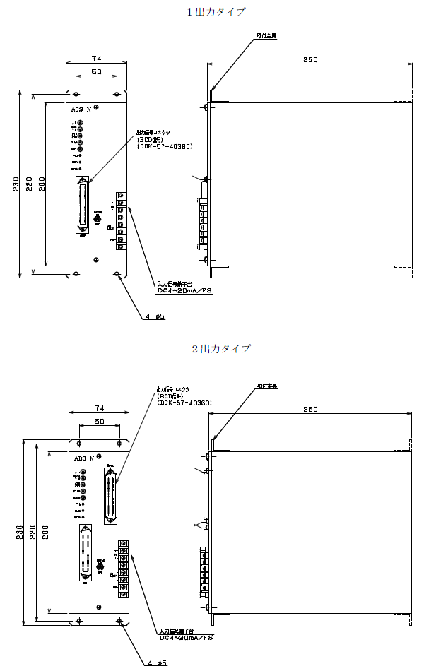
外観

特徴
- BCD信号を出力します。オプションでパリティを付加できます(5桁はパリティ無し)
- 任意スケール機能があります。
- サンプリング周期の調整が可能です。
- 取付金具は前面フレーム取付または壁面取付どちらにも対応します。
型式

仕様
| 入力信号 | DC4~20mA、DC1~5V、DC0~5V | |
|---|---|---|
| 入力抵抗 | 1MΩ [標準電圧入力仕様]、250Ω(249Ω)[標準電流入力仕様] | |
| 変換方式 | 二重積分方式 | |
| 変換桁数 | 2桁、3桁、4桁、5桁(最大19999) | |
| 分解能 | DC1~5V/0~999(スケ-ル)の時:4mV/1カウント | |
| 測定確度 | 2桁 | ±1% ±1 DIGIT (99時) 23℃±5℃ |
| 3桁 | ±0.1% ±2 DIGIT (999時) 23℃±5℃ | |
| 4桁 | ±0.03% ±3 DIGIT (9999時) 23℃±5℃ | |
| 5桁 | ±0.03% ±3 DIGIT (19999時) 23℃±5℃ | |
| 温度安定度 | 2桁 | ±0.1% (99時) / 1℃max |
| 3桁 | ±0.05% (999時) / 1℃max | |
| 4桁 | ±0.01% (9999時) / 1℃max | |
| 5桁 | ±0.01% (19999時) / 1℃max | |
| サンプリング | 約0.35~6秒 時間設定 | |
| 出力信号形態 | オープンコレクター | DC30V 50mA COM=0V |
| 出力点数 | 1点、2点 | |
| スケール調整 | スパン調整 | SPAN-Lボリュウ-ムによる |
| スパン調整 | SPAN-Sボリュウ-ムによる | |
| ゼロ調整 | ZERO及びOFFSETボリュウ-ムによる | |
| 供給電源 | AC100V±10%、DC24V±10% | |
| 消費電力 | AC時 | 30VA以下 |
| DC24V時 | 18W以下 | |
| 絶縁耐圧 | AC1500V/1分間 電源端子一括 対 フレ-ムグランド間 ※DC時はAC500V/1分間同上 |
|
| 絶縁抵抗 | DC500V/20MΩ以上 電源端子一括 対 フレ-ムグランド間 | |
| 使用温度 | 0~45℃ | |
| 仕様湿度 | 20~90%RH (結露無きこと) | |
| 重量 | 約2.5㎏(幅74ケ-ス)、 約3.2㎏(幅100ケ-ス) | |
| 塗装色 | パネル | マンセル5Y7/1 |
| ケース | 亜鉛三価クロメートめっき ZMC3 | |
外形図


